EduSahara™ Worksheet
Name : Chapter Based Worksheet
Chapter : Mensuration
Grade : CBSE Grade VI
License : Non Commercial Use
Question 1
1.
If the breadth and area of a rectangle are 19.00 cm and 380.00 sq.cm respectively, the perimeter of the rectangle =
  • (i)
    83.00 cm
  • (ii)
    75.00 cm
  • (iii)
    73.00 cm
  • (iv)
    81.00 cm
  • (v)
    78.00 cm
Question 2
2.
Find the area of the shaded region given below
  • (i)
    298.00 sq.m
  • (ii)
    312.00 sq.m
  • (iii)
    292.00 sq.m
  • (iv)
    304.00 sq.m
  • (v)
    319.00 sq.m
Question 3
3.
If the length and perimeter of a rectangle are 16.00 cm and 62.00 cm respectively, the area of the rectangle =
  • (i)
    242.00 sq.cm
  • (ii)
    258.00 sq.cm
  • (iii)
    226.00 sq.cm
  • (iv)
    240.00 sq.cm
  • (v)
    214.00 sq.cm
Question 4
4.
If the length between any two consecutive points is 5.5 cm, find the perimeter of the following figure
  • (i)
    152.00 cm
  • (ii)
    153.00 cm
  • (iii)
    155.00 cm
  • (iv)
    156.00 cm
  • (v)
    154.00 cm
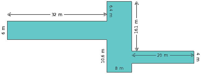
Question 5
5.
Find the perimeter of the shaded region given below
  • (i)
    184.00 m
  • (ii)
    168.00 m
  • (iii)
    191.00 m
  • (iv)
    196.00 m
Question 6
6.
If the breadth and area of a rectangle are 17.00 cm and 340.00 sq.cm respectively, the length of the rectangle =
  • (i)
    20.00 cm
  • (ii)
    25.00 cm
  • (iii)
    15.00 cm
  • (iv)
    23.00 cm
  • (v)
    17.00 cm
Question 7
7.
Find the perimeter of the shaded region given below
  • (i)
    174.00 m
  • (ii)
    164.00 m
  • (iii)
    143.00 m
  • (iv)
    170.00 m
  • (v)
    182.00 m
Question 8
8.
If the length and breadth of a rectangle are 15.00 cm and 13.00 cm respectively, the perimeter of the rectangle =
  • (i)
    59.00 cm
  • (ii)
    61.00 cm
  • (iii)
    56.00 cm
  • (iv)
    51.00 cm
  • (v)
    53.00 cm
Question 9
9.
If the length between any two consecutive points is 4.4 cm, find the perimeter of the given figure
  • (i)
    71.40 cm
  • (ii)
    72.40 cm
  • (iii)
    70.40 cm
  • (iv)
    68.40 cm
  • (v)
    69.40 cm
Question 10
10.
If the length between any two consecutive points is 3.2 cm, find the perimeter of the given figure
  • (i)
    56.60 cm
  • (ii)
    55.60 cm
  • (iii)
    58.60 cm
  • (iv)
    57.60 cm
  • (v)
    59.60 cm
Question 11
11.
If the length between any two consecutive points is 4.4 cm, find the perimeter of the given figure
  • (i)
    60.60 cm
  • (ii)
    63.60 cm
  • (iii)
    62.60 cm
  • (iv)
    59.60 cm
  • (v)
    61.60 cm
Question 12
12.
If the area of a square is 169.00 sq.cm, the side of the square =
  • (i)
    8.00 cm
  • (ii)
    13.00 cm
  • (iii)
    10.00 cm
  • (iv)
    18.00 cm
  • (v)
    16.00 cm
Question 13
13.
In an isosceles triangle △ABC, if BC = 16 cm, CA = AB and perimeter is 56 cm, then side AB =
  • (i)
    17.00 cm
  • (ii)
    15.00 cm
  • (iii)
    25.00 cm
  • (iv)
    20.00 cm
  • (v)
    23.00 cm
Question 14
14.
Find the area of the shaded region given below
  • (i)
    356.00 sq.m
  • (ii)
    370.00 sq.m
  • (iii)
    343.00 sq.m
  • (iv)
    349.00 sq.m
Question 15
15.
If the length and area of a rectangle are 14.00 cm and 140.00 sq.cm respectively, the breadth of the rectangle =
  • (i)
    5.00 cm
  • (ii)
    13.00 cm
  • (iii)
    15.00 cm
  • (iv)
    10.00 cm
  • (v)
    7.00 cm
Question 16
16.
In an isosceles triangle △ABC, if BC = 16 cm, AB = CA = 20 cm, then perimeter of the triangle =
  • (i)
    51.00 cm
  • (ii)
    61.00 cm
  • (iii)
    53.00 cm
  • (iv)
    56.00 cm
  • (v)
    59.00 cm
Question 17
17.
If the perimeter of a square is 56.00 cm, the side of the square =
  • (i)
    17.00 cm
  • (ii)
    9.00 cm
  • (iii)
    14.00 cm
  • (iv)
    19.00 cm
  • (v)
    11.00 cm
Question 18
18.
If the area of a square is 144.00 sq.cm, the perimeter of the square =
  • (i)
    43.00 cm
  • (ii)
    45.00 cm
  • (iii)
    51.00 cm
  • (iv)
    48.00 cm
  • (v)
    53.00 cm
Question 19
19.
If the length between any two consecutive points is 8.9 cm, find the perimeter of the given figure
  • (i)
    73.20 cm
  • (ii)
    69.20 cm
  • (iii)
    72.20 cm
  • (iv)
    71.20 cm
  • (v)
    70.20 cm
Question 20
20.
Find the area of the shaded region given below
  • (i)
    396.00 sq.m
  • (ii)
    384.00 sq.m
  • (iii)
    370.00 sq.m
  • (iv)
    369.00 sq.m
  • (v)
    397.00 sq.m
Question 21
21.
Find the perimeter of the shaded region given below
  • (i)
    172.00 m
  • (ii)
    128.00 m
  • (iii)
    167.00 m
  • (iv)
    141.00 m
  • (v)
    154.00 m
Question 22
22.
If the length and perimeter of a rectangle are 12.00 cm and 40.00 cm respectively, the breadth of the rectangle =
  • (i)
    6.00 cm
  • (ii)
    8.00 cm
  • (iii)
    10.00 cm
  • (iv)
    9.00 cm
  • (v)
    7.00 cm
Question 23
23.
If area of an equilateral triangle is 125.14 sq.cm, the perimeter of the equilateral triangle =
  • (i)
    51.00 cm
  • (ii)
    46.00 cm
  • (iii)
    48.00 cm
  • (iv)
    56.00 cm
  • (v)
    54.00 cm
Question 24
24.
If the length between any two consecutive points is 3.0 cm, find the perimeter of the given figure
  • (i)
    59.00 cm
  • (ii)
    60.00 cm
  • (iii)
    61.00 cm
  • (iv)
    58.00 cm
  • (v)
    62.00 cm
Question 25
25.
If the perimeter and area of a rectangle are 68.00 cm and 280.00 sq.cm respectively, the breadth of the rectangle =
  • (i)
    19.00 cm
  • (ii)
    11.00 cm
  • (iii)
    9.00 cm
  • (iv)
    17.00 cm
  • (v)
    14.00 cm
    Assignment Key

  •  1) (v)
  •  2) (iv)
  •  3) (iv)
  •  4) (v)
  •  5) (i)
  •  6) (i)
  •  7) (iv)
  •  8) (iii)
  •  9) (iii)
  •  10) (iv)
  •  11) (v)
  •  12) (ii)
  •  13) (iv)
  •  14) (i)
  •  15) (iv)
  •  16) (iv)
  •  17) (iii)
  •  18) (iv)
  •  19) (iv)
  •  20) (ii)
  •  21) (v)
  •  22) (ii)
  •  23) (i)
  •  24) (ii)
  •  25) (v)